Абсолютный энкодер 15/16 bit SSI интерфейс
QY3806-ABS - бесконтактный магнитный датчик абсолютного положения, для точного измерения любого угла в пределах 360º.
Может выводить сигнал SSI (совместимый с 3-проводным SPI)
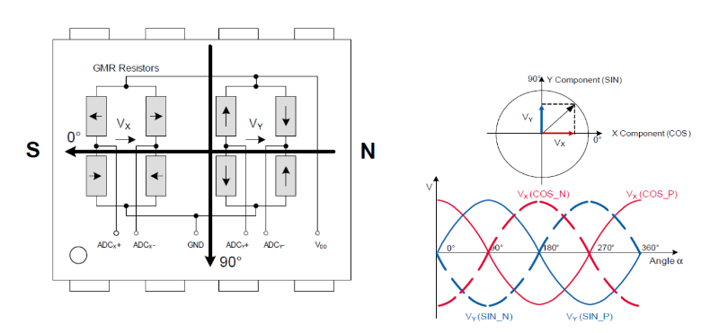
Принцип работы В энкодере используется магнитоэлектрическая технология. Когда магнитное поле вращается, мост выводит четыре набора синуса. Волновые сигналы объединяются в A, B, C, D, каждая синусоида имеет разность фаз 90 градусов (360 градусов относительно одного цикла), а Сигналы C и D меняются местами и накладываются на две фазы A и B, что может усилить сигнал.

Особенности
Магнитный энкодер имеет простую конструкцию, небольшой размер, долгий срок службы, простую установку, низкое энергопотребление, высокую частоту, виброустойчивость, отсутствие
Боязнь пыли, масляных и солевых брызг и других характеристик загрязнения или коррозии. Кроме того, он также обладает преимуществами бесконтактности и высокой повторяемости положения.
※ Двухтактный выход напряжения
※ Источник питания 3,3 В / 5 В
※ Низкое энергопотребление
※ Высокая точность (разрешение 32768), низкая угловая ошибка
※ 360 градусов бесконтактный
※ Выход SSI
※ Небольшой размер и легкий вес
※ Выходная скорость, виртуальный многооборотный
Механические характеристики
Материал
- Корпус: алюминиевый сплав/углеродистая сталь
- Стрела: нержавеющая сталь
- Сигнальный кабель*: экранированный кабель 1,5 м
Механические параметры
- Момент инерции ротора: 0,5·10–6 кгм2
- Пусковой крутящий момент:: 0,01 Нм (при 25 °C)
- Максимальная нагрузка: радиальная 50Н, радиальная 10Н
- Осевой люфт: ±0,5 мм
- Срок службы: MTBF > 50000 ч
- Вес: ≈ 100 грамм
- Допустимая механическая скорость: 6000 об/мин.
Характеристики окружающей среды
- Максимальная рабочая температура: 80 °C
- Минимальная рабочая температура: -40 °C
Степень защиты
- EN 60 529 IP64
Схема подключения

Выход SSI Уровень CMOS, интерфейс SSI с разрешением 15 бит (совместим с трехпроводным SPI), тактовая частота до 8 МГц. абсолютный Вывод значения углового положения.


Чтение угла: . Мастер SPI отправляет 16-битную команду 0x8021, и энкодер возвращает информацию об угле. Возвращаемые данные Data1 - это угловое положение, SAFETY WORD - безопасные данные, статус возврата и значение проверки.

Одновременное чтение оборотов и скорости: Мастер SPI отправляет 16-битную команду 0x8032, и чип возвращает информацию об угле. Data1 возвращает данные как значение скорости, Data2 - Возвращаемые данные представляют собой значение, SAFETY WORD, статус возврата и контрольное значение.

Примечания: 1) Мастер скорости только для чтения отправляет 16-битную команду 0x8031. 2) Хост SPI с номером только для чтения отправляет 16-битную команду 0x8041. 3) Накопленное количество виртуальных мультидиапазонов (0-512), значение после выключения и повторного включения питания, начинает отсчет с 0. анализ данных: Угол=Значение угла[14:0]/32768*360 Скорость (градусы/мин) = Угловая скорость[14:0] *21,44 (об/мин); Бит[14] указывает направление вращения. применяется тест скорости Для мгновенного измерения скорости необходимо рассчитать среднюю скорость, когда скорость колеблется на низкой скорости. Рекомендуется измерять выше 1000 об/мин, максимальная скорость Может достигать 10000 об/мин. Число углов = угол поворота [8:0] 9-битное значение счетчика составляет 0~512 углов.

Размеры: Размер корпуса энкодера:
диаметр корпуса энкодера: φ38 мм,
выходной вал φ6×15 мм,
внешняя платформа вала: высота 5 мм, φ20 мм;
крепежные отверстия: винты M3, и 3 монтажных отверстия находятся на круге 30. Диаметр провода 5 мм. Направление проводки выходного порта совпадает с направлением отверстия для установочного винта.
Comments
Comments are closed